Printable DB
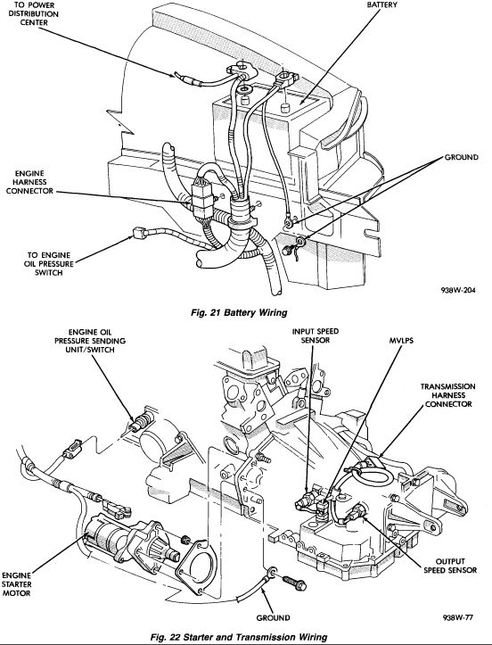
1985 Chrysler New Yorker Wiring Diagram
intent letter for scholarship sample
janitorial quote template
how to make a resume for work experience
gantt chart for multiple projects template
franchise agreement template uk
funeral order of service template free
khols printable coupons
excel yahtzee score card template
1985 Chrysler New Yorker Coil Wiring Diagram 1985 Chrysler
1985 Chrysler New Yorker Wiring Diagram Wiring Diagram
I Need The Electrical Wiring Diagram For A 1985 Chrysler 5th
1985 Chrysler New Yorker Wiring Diagram Wiring Diagram
1967 All Makes All Models Parts Ml13125b 1967 Chrysler C Body Color Wiring Diagram 11 X 17 Classic Industries
I Need The Electrical Wiring Diagram For A 1985 Chrysler 5th
1994 Chrysler New Yorker Fuse Diagram Online Wiring Diagram
1985 Chrysler New Yorker Wiring Diagram Mobile Details Com
Starter How Do I Change The Starter On A 1995 Chrysler New
1985 Chrysler New Yorker Wiring Diagram Wiring Diagram
I Need The Electrical Wiring Diagram For A 1985 Chrysler 5th
Chrysler Corporation Service Manual 1985 Front Wheel Drive
1985 Chrysler New Yorker Lamps Wiring Rear
1985 Chrysler New Yorker Wiring Diagram Wiring Diagram
1953 Chrysler Wiring Wiring Schematic Diagram
Bonneville Wiring Diagram On 1991 Chrysler New Yorker Fuse
Details About 1985 Chrysler Lebaron New Yorker Dodge 600 Plymouth Caravelle Wiring Diagrams
1953 Chrysler Wiring Wiring Schematic Diagram
1973 Dart Duster Valiant Scamp Wiring Diagram Manual Reprint
Dodge Chrysler External Regulator Kit
Chrysler 1986 Service Manual Wiring Diagrams Front Wheel
Source :
pinterest.com
Popular Posts
Data Collection Excel Questionnaire Template
Blank Downloadable Free Tenancy Agreement Template Word Uk
Conditioning Wiring Diagram Plymouth Voyager
Concert Vip Pass Template
Dodge D150 Wiring Harnes
Easter Sunday Powerpoint Templates Free
Disc Certification Online
Editable Wedding Invitation Templates Photoshop
Bmw F10 Glove Box Fuse Diagram
Cricut Printable Vinyl Vs Sticker Paper
Event Program Design Templates
Comic Book Template 4 Panel
Birth Certificate Service Near Me
Essex Wiring Diagram
Csm Certification Tampa
Email Marketing Template Examples
Bet Contract Between Friends Template
Cvc Words Worksheets For Kindergarten
Best Email Signature Templates
Cash Flow Projection Template
Construction Takeoff Template
Bls Certification Modesto Ca
Board Member Formal Letter To Board Of Directors Template
Cpr Certification On Resume Example
Construction Contract Template Doc
Employee Self Assessment Form Sample
Cookbook Template Word
Conference Action Plan Template
Company Policy Templates Free Download
Electric Baseboard Heater Thermostat Wiring Diagrams
Creative Newspaper Ad Template
Clear Printable Stickers
Compare And Contrast Mitosis And Meiosis Worksheet
Corner Bookmark Template Printable
Course Certificate Template Word
Editable Retirement Certificate Template
Doh Birth Certificate
Bill Of Rights Worksheet
C 130 Alternator Wiring Chevy
Dol Starter Control Wiring Diagram Pdf
Cat 6 Network Cable Splitter
Delivery Order Template Excel Free Download
Case Study Templates
Dog Tag Template
Business Apology Letter Sample
Disaster Recovery Runbook Template
Block Business Letter Template Word
Call Center Business Continuity Plan Template
Call For Proposals Template
Bomag Bmp 851 Wiring Diagram
Blank Utility Bill Template
British Columbia Birth Certificate
Bluebird Bu Wiring Schematic
Driver Education Certificate
Damage Release Form Template