Printable DB
1992 Mitsubishi Diamante Wiring Diagram
word free creative cover letter templates
website documentation template
welcome banner printable
wiring harnes knife
word meeting minutes template pdf
wiring car radio diagram
work supply printable office supply list template
write my own will template uk
Repair Guides
Mitsubishi Minicab Wiring Diagram Wiring Resources
Wiring Diagram For Mitsubishi Diamante Wiring Diagram
Need Wiring Diagram Mitsubishi Diamante 93 For Radio Mute
1992 1995 Mitsubishi Diamante Repair Shop Manual Set Original
Repair Guides
Details About 1992 1993 1994 Mitsubishi Diamante Electrical Wiring Diagrams Service Manual
Mitsubishi Ignition Switch Wiring Diagram Questions
Wiring Diagram For Mitsubishi Diamante Epub Pdf
Integrating Bypassing Removing 2g Inifinity Amp W Diagram
Mitsubishi Wiring Diagram Questions Answers With Pictures
Mitsubishi Diamante Free Workshop And Repair Manuals
Repair Guides
1992 1996 Mitsubishi Diamante Repair Shop Manual Set Original
2002 Mitsubishi Diamante Radio Wiring Diagram Wiring
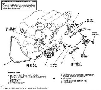
Removing Alternator From Car My Wife Has A 1993 Mitsubishi
2002 Mitsubishi Diamante Fuel Pump Relay Questions With
1992 1995 Mitsubishi Diamante Repair Shop Manual Set Original
2002 Mitsubishi Diamante Radio Wiring Diagram Wiring Diagram
01 Mitsubishi Diamante Fuse Box Wiring Diagram G8
Mitsubishi Eclipse Car Stereo Wiring Explained 1990 1994 How To Wire Install
Source :
pinterest.com
Popular Posts
Gift Certificate Template Free Editable Christmas
Free Worksheets For Toddlers Age 2
Laundry Shop Receipt Sample
John Deere 1020 Wiring Diagram
Free Wedding Day Timeline Template Pdf
Honda Obd1 Distributor Wiring
Expenses Invoice Template
Free Teacher Templates
Free Printable Shapes Worksheets
Home Old Fuse Box Replacement Part
How To Add Receipts To Quickbooks Online
Fake Stockx Receipt Maker
Free Event Planning Invoice Template
Grad School Statement Of Purpose For Master S Pdf
Generator 3 Phase Plug Wiring Diagram
Free Printable Watercolor Pictures To Paint
Gre Error Log Template
International 1086 Wiring Diagram Alternator
Free Online Advertising Templates
Fish Bone Diagram Template
Kelvinator Range Wiring Diagram
Ford Fiestum Master Cylinder Diagram
House Wiring 12 2 With Ground
Ice Bear Wiring Diagram
French Cv Template
Karr Remote Starter Wiring Diagram
Fuse Box 1999 Oldsmobile Intrigue
Follow Email Template
Food Save Certificate
Excel Templates Customer Management
Health Fair Flyer Template Free Download
Executive Coaching Certification
Fundraising Sign Up Sheet Template
Isp Diagram
Free Widescreen Powerpoint Templates
Gentle Reminder Meeting Reminder Text Message Sample
Find The Slope Worksheet Answers
Government Briefing Note Sample
Exercise Specialist Certification
Ford Super Duty Wiring Diagram For 2010
Heating Cooling Curve Worksheet
Free Vintage Ticket Template
Forklift Certification Course
Hr Assistant Human Resources Cover Letter Sample
Kawasaki Zx7 Wiring Diagram
Fuse Box For Infiniti G20
International 9400i Wiring Diagram
Haitian Marriage Certificate
Hot Water Heater Wiring Breaker
Free 18th Birthday Invitation Templates
Flyer Templates Word
Goldwing Engine Diagram
Facebook Welcome Page Templates
Giant Paper Rose Template Pdf
Fuse Panel 2000 Mercury Sable Fuse Box Diagram