1997 Jeep Cherokee Diagram

0 answers my security light on my 97 jeep grand cherokee want go off when runnin.
1997 jeep cherokee diagram. 1997 jeep grand cherokee wiring diagram 2000 jeep grand cherokee starter repair guides wiring diagrams. Assortment of 1997 jeep grand cherokee wiring diagram. Jeep oem cherokee parts from thunder cdjr. We have checked the asd relay and it has power and no ground.
Whether your an expert installer or a novice enthusiast with a 1997 jeep grand cherokee an car stereo wiring diagram can save yourself a lot of time. Select a jeep cherokee year 2019. I need a engine wiring diagram for a 1997 jeep cherokee with answered by a verified jeep mechanic. Wiring diagram grand cherokee jeep 1997.
Genuine jeep parts are the smart choice for repair maintenance or upgrade of your. Autozone repair guide for your chassis electrical wiring diagrams see figures 1 through 50. The gauges and windows also quit working. We also swapped the ecm in hopes the problem was in there but no change.
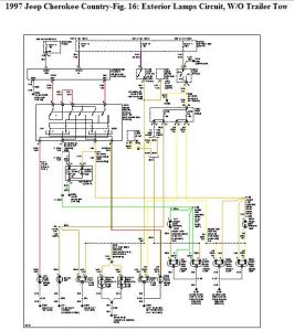
I have a 1997 jeep cherokee with the 40l and a five speed. Genuine jeep cherokee parts from factory chrysler parts in bartow fl. Air bag supplemental restraint system. Click on the image to enlarge and then save it to your computer by right clicking on the image.
Wiring diagram for jeep 1997 jeep 1997 grand cherokee question. 1997 1998 cherokeegrand cherokee chassis schematics. We have actually gathered lots of images hopefully this photo works for you and aid you in finding the response you are seeking. See figures 1 through 50 repair guide print.
1997 grand cherokee fuse box diagram welcome to my website this article will discuss about 1997 grand cherokee fuse box diagram. One of the most time consuming tasks with installing a car stereo car radio car speakers car amplifier car navigation or any car electronics is identifying the correct read more read more. 1997 jeep grand cherokee. Jeep cherokee 1997 up fuse relay identification jeep cherokee xj 1997 2001 fuse relay information power distribution center located under the hood.
1997 1998. One of the most time consuming tasks with installing a car stereo car radio car speakers car amplifier car navigation or any car electronics is identifying the correct color read more read more.