Printable DB
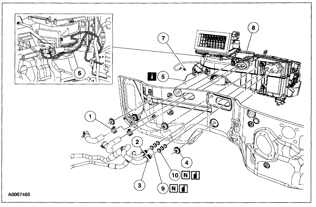
1999 Ford Expedition Heating Diagram
z1 turbo wiring diagram
wiring diagram for 1970 nova
web developer website template
website competitive analysis template
wiring diagram midi
wire diagram 1988 nissan 300zx
word rent invoice template
yearly personal budget template excel
1998 Ford Expedition Heater Diagram Questions With
2000 Ford Expedition Rear Heater Core Where Is The Rear
1999 Ford Expedition Front To Back A C
1999 Ford Expedition 5 4 Heater Hose Assembly
5 4 Ford Expedition Heater Hose Replacement No Special Tools Needed
Heating A C Vent Control Issue Ford F150 Forum
99 Ford Expedition Heating Air Conditioning Fan
1999 F350 Heater Diagram Catalogue Of Schemas
Heater Hose Location Where Is Inlet Heater Hose Located To
No Hot Heat You Must Know This Heater Core Flush With Seals Ford Expedition
Heater Hose Diagram Questions Answers With Pictures Fixya
Heater Core Diagram I Need A Diagram Of Where My Heater
1999 5 4l V8 Heated Pcv Hose Assembly W 3 4 Grommet
Ac Heat Only Blows On Feet Ford Truck Enthusiasts Forums
Heater Core Replaced Where The F Is The Bypass Hose
Ac Will Blow Through The Dash Air Vents And Then The Defrost
1999 Ford Explorer Engine Diagram Wiring Diagrams Folder
Ford Expedition Heater Hose Replacement
Heater Core Replacement How To Replace A Heater Core
5 4l 4 6l Heating Coolant Flow Diagram Ford Expedition Forum
Do You Have Ford Blower Motor Resistor Problems Or Another
Source :
pinterest.com
Popular Posts
June 2012 All About Wiring Diagram
Large Paper Flower Petal Template
Free Microsoft Word Company Profile Template
Fixed Asset Register Template Excel Free Uk
Garmin Fish Finder Wiring Diagram
Jeep Cherokee Wiring From Firewall
Free Sample Biography On Yourself
Grade 5 5th Grade Grammar Worksheets
Ira Trust Template
Interoffice Memo Template Word
Free Printable Math Worksheets For 2nd Grade
How To Get Rent Receipt
Fender Player Series P Bass Review
Honda S90
Insurance Claims Certification
Fake Cable Bill Template
Iphone Phone Call Template
Financial Planning Template Google Sheets
Install Motion Graphics Template Premiere Pro
Fan Limit Control Wiring Diagram
Latin Music Usa Worksheet
How To Upload Resume To Dropbox
Funny Printable Birthday Cards For Dad
Ice Skating Invitations Templates
Free Printable Used Car Auto Bill Of Sale
Infiniti Remote Starter Diagram
Handwriting Practice Improve Handwriting Worksheets
Jacuzzi Wiring Diagram
Keto Diet Grocery List Printable
Free Design Templates For Shirts
Free Html Email Templates
Honesty Worksheets Pdf
Kawasaki 125 Wiring Diagram
Fitness Class Schedule Template
Internal Auditor Job Description Sample
Google Slides Project Timeline Template
How To Make A Career Change Resume
Football Banner Template
Google Docs Business Flyer Template
It Policy Document Template
Ez Receipts App
Free Nursing Resume Examples
Horizontal Business Card Template
Jeep Wiring Diy
Job Description Job Analysis Sample
Free Printable 5th Grade Science Worksheets
Large Puzzle Piece Template Printable
Ford 8n 12 Volt Wiring Harnes
How Do I Scan My Walmart Receipt
Free Weekly To Do List Template
Expression Of Interest Sample Template
Free Product Invoice Template
Google Petition Template
Ge Dishwasher Wiring Schematic
How To Reject A Job Offer Politely Email Sample