Printable DB
2002 Gmc Sonoma Engine Diagram
printable blackjack chart
one page travel brochure template
nerc operator certification
non cash charitable contributions worksheet
pc installation checklist template
meeting minutes template onenote
lean canvas template ppt
my receipts online
Gmc Sonoma Engine Diagram Wiring Schematic Diagram
2002 Gmc Sonoma Engine Compartment Diagram Wiring
Vacuum Hose On Gmc Diagram Questions Answers With
Gmc Sonoma Engine Diagram Catalogue Of Schemas
1997 Gmc Sonoma 2 2 Engine Diagram Wiring Diagram
2002 Gmc Sonoma Engine Diagram Wiring Diagram
Solved Po446 Code On 2002 Gmc Sonoma Where Is The Evap Fixya
4 3l Vortec Engine Specs Hcdmag Com
Solved Need Vaccum Hose Diagram For 2002 Gmc Sonoma 4x4 Fixya
1997 Gmc Sonoma 2 2 Engine Diagram Wiring Diagram
Gmc Sonoma Engine Diagram Catalogue Of Schemas
2001 Gmc Sonoma 2 2l Engine Replacement Part 1 Ericthecarguy
2000 Gmc Sonoma Engine Diagram Schematics Online
Gmc Sonoma Repair Manual 1991 2004
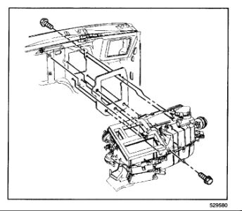
2002 Gmc Sonoma Heater Core Replacement Im A Toyota
2002 Gmc Sonoma Engine Diagram Wiring Diagram
2001 Gmc Sonoma 2 2 Tps Troubleshooting
Gmc Sonoma Parts Partsgeek Com
Gmc Jimmy Fuse Box Wiring Schematic Diagram
2002 Gmc Sonoma Engine Diagram Wiring Diagram
1997 Gmc Sonoma 2 2 Engine Diagram Wiring Diagram
Source :
pinterest.com
Popular Posts
Things To Do List Template
Resume Samples For Freshers In India
Vistaprint Trifold Brochure Template Download
Rice A Roni Coupons Printable
Standard Work Template For Manufacturing
Servsafe Certification Renewal
Sample Letter Of Intent For Work
Tahoe Engine Diagram
Statement Of Account Template Malaysia
Safety Osha Complaint Response Letter Template
Resume Services Arlington Tx
Trailer Wiring Diagram 7 Pin Round South Africa
User Story Template Google Docs
Understanding By Design Template
Trampoline Waiver Template
Vacate 30 Day Notice Template
The Story Of Oil And Natural Gas Worksheet Answers
Sample Retirement Farewell Speech
Timing Spec For Honda Gx340
Resume Builder Indianapolis
Wall Switch Wiring Diagram
Sample Competitive Analysis Template
Technical Report Writing Template
R 422 To Rs485 Wiring
Safety Ppt Templates Free Download
Sales Account Plan Template Excel
Table Of Contents Template Word 2013
Texas Chaplain Certification
Tender Templates Examples
Senior Event Manager Resume Sample
Template Resignation Letter From Board Of Directors
Sample Notice To Vacate Apartment
Statechart Diagram For Login Page
Watercolor After Effects Template Free
Vmware Airwatch Certification
Sample Operations Manual For Franchise
Supplier Information Form Template Word
Roadmap Template For Powerpoint
Real Estate Feasibility Study Template
Sample Direct Debit Form
Sample Thank You Letter For Donation To Church In Memory Of Deceased
Simple Burndown Chart Excel Template Download
Termination Of Rental Contract Letter Template
Sample Of University Admission Letter
Sample Leave Donation Form
Rent Receipt Pdf Download India
Vermont Bill Of Sale Template
Receipt Day Chick Fil A 2019 Huntsville Al
Software Security Certification
Sample Letter Of Credit Agreement
Special Easystart Certificate
Volunteer Website Template
Stream Overlay Template Red
Radio Ad Template
Sample Letter To Dean Of Admissions