Printable DB
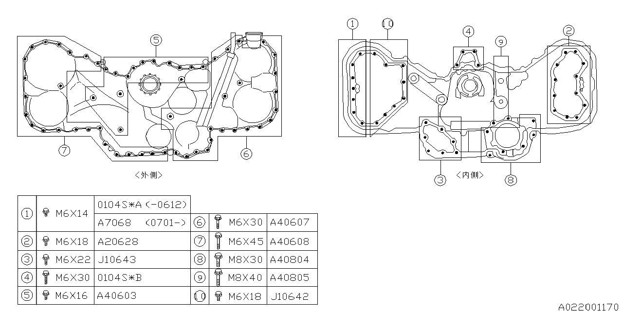
2006 Subaru Tribeca Engine Diagram
operating expense report template
mocha project management template
project management impact assessment template
microsoft calendar templates excel
printing proposal template
option agreement template
printable coupons joann fabric coupon 2019
pi 4 wire color diagram
2006 Subaru B9 Tribeca Parts Subaru Oem Parts Accessories
2008 Subaru Tribeca Wiring Diagram Wiring Diagram
Details About Subaru Oem 06 07 B9 Tribeca Engine Cylinder Head 11063ab020
2006 Subaru Tribeca Engine Mounting Subaru Parts Deal
2002 Subaru Forester Engine Diagram Wiring Schematic Diagram
2006 Subaru Legacy Engine Diagram Wiring Diagram G8
Repair Guides
Details About Subaru Oem 06 07 B9 Tribeca Engine Parts Lower Cover 21114aa063
Subaru 45122xa00a
2006 Subaru Tribeca Cylinder Block Subaru Parts Deal
Bolt For H6 Timing Chain 1 In The Timing Chain Diagram
I Have A 2006 Tribeca That Is Making Noises In The Front End
Subaru Oem 06 07 B9 Tribeca 3 0l H6 Hvac Heater Core 72130xa00a Ebay
Fuse Box Location And Diagrams Subaru Tribeca B9 2006 2007
2006 Subaru Tribeca Intake Manifold Subaru Parts Deal
Details About Subaru Oem 2006 B9 Tribeca Ecm Pcm Ecu Engine Control Module Computer 22611ak12b
Spark Plug Firing Order Diagrams For Subaru Tribeca B9 3 0l
Radiator Components For 2006 Subaru B9 Tribeca Subaru
Subaru Oem 2006 B9 Tribeca Ventilador De Refrigeracao Do
Drivers Side Cooling Fan Not Coming On Subaru Outback Forums
Exhaust Manifold For 2006 Subaru B9 Tribeca Subaru Parts
Source :
pinterest.com
Popular Posts
Toro Wiring Harnes
Sample Marketing Services Agreement
Supplier Code Of Conduct Template
Vonage Wiring
Transparent Product Roadmap Icon
Social Media Marketing Worksheet
Umsl Teaching Certificate
Saab 900 Wiring Diagram Pdf
Wall Decor Printable Bible Verse Wall Art
Sample Cover Letter For Adjunct Professor With No Teaching Experience
Standard Home Phone Line Wiring
Texas Certification Directory
Short Biography Sample For Work
Restaurant Server Job Description Sample
Sample Donation Request Letter For Animal Shelter
Senior Administrative Assistant Resume Sample
Video Content Calendar Template
Sony Cdx Gt330 Wiring Diagram
Sales Plan Template
The Animal Cell Cycle Worksheet Answers
Venter Trailer Plug Wiring
The Trike Shop Wiring Diagram
Teenage Birthday Invitation Templates Free
Sentence Cards Printable
Warn Vantage 4000 Winch Schematic
Stock Control Template Excel Microsoft
Suzuki Aerio Fuel Filter Location
Simple Website Code Template
Three Generation Family Tree Template
Sx 70 Skin Template
Sample Project Scope Template
Sample Letter Of Resignation From Non Profit Board
Rockford Fosgate P3 Wiring
Things To Do List Template
Waitress Receipt Book
Suzuki V6 Engine Diagram
T Shirt Order Form Template Doc
Simple Cover Letter Template Uk
Trip Planner Template Excel
Safety Meeting Agenda Template Word
Resume Template Download Word
Toyotum Car Stereo Wiring Color
Template For Company Profile Free Download
Screen Printing T Shirt Template
Vacation Rental Lease Agreement Template
Subaru Impreza 2 0i Engine Diagram
Table Of Contents Ppt Template Free
Simple Home Budget Template
Resurrection Religious Easter Powerpoint Templates
Template Free Printable Clock Face With Hands
Square Cash Receipt
Sample Construction Invoice Template
Real Estate Profit And Loss Statement Template
Sports Betting Excel Template
Software Checklist Template