Printable DB
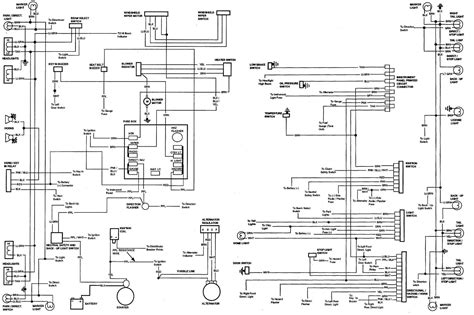
72 Camaro Wiring Diagram For Heater
4y toyotum starter diagram
1985 c20 engine wiring diagram
3d printer templates lightsaber
avery templates big tab
aesthetic mood board template photoshop
adobe indesign brochure templates
2002 f150 trailer wiring diagram schematic
2005 impala power window switch wiring schematic
Camaro Wiring Electrical Information
Camaro Wiring Electrical Information
Camaro Wiring Electrical Information
Camaro Wiring Electrical Information
1972 Camaro Wiring Diagram Manual Reprint
Camaro Wiring Electrical Information
Repair Guides
Camaro Wiring Electrical Information
Camaro Air Conditioning System Information And Restoration
1972 Camaro Ac Wiring Wiring Diagram
Chevrolet Camaro Parts Literature Multimedia Literature
72 Camaro Wiring Diagram For Heater Epub Pdf
Heater Blower Motor Resistor Relay And More Third
72 Camaro Wiring Diagram For Heater Wiring Library
All Generation Wiring Schematics Chevy Nova Forum
67 72 Chevy Wiring Diagram Crafts And Art Chevy S10
Heater Blower Motor Resistor Relay And More Third
1971 Corvette Heater And Air Conditioning Wire Schematic
Camaro Wiring Diagrams Electrical Information
All Generation Wiring Schematics Chevy Nova Forum
1967 72 Chevy Truck Cab And Chassis Wiring 72 Chevy Truck
Source :
pinterest.com
Popular Posts
Legend Of Symbol For Car Wiring Diagram Free Download
Painting Proposal Sample
Practice Worksheet The Unit Circle Fill In The Blanks
Plumbing Venting Diagram
Letter Of Recommendation Template For College Student
Metric Chart Printable
Meralco Meter Base Wiring Diagram
Pontiac Wave 2005 Radio Wiring Diagram
Pontiac G5 Fuse Box
Printable Cdl Test Questions And Answers
My Plate Games Printable
Math Worksheet Answers
Printable Wire Gauge Size Chart
Payment Plan Payment Arrangement Letter Template
Money Thermometer Template
Printable National Park Checklist
Mazda 5 Fuse Box Diagram
Navigation 2013 Silverado Wiring Harnes
Printable Tow Truck Receipt Template
Llc Operating Agreement Oregon Template
Personal Invoice Sample
Middle School Free Book Review Template For Kids
Printable Pharmacy Technician Practice Test
Printable Unemployment Job Search Log Sheet
Printable Sample Professional Resignation Letter
Math 3 Worksheets
Printable Lithium Battery Shipping Label
Photo Powerpoint Template
One Page Strategic Plan Template Word
Lined Writing Paper Template For First Grade
Printable Appointment Reminder Card Template
Massage Website Templates Free Download
Nanny Agreement Template
Petty Cash Voucher Sample Format
Measure Employee Performance Template
Led Landscape Lighting Wiring Diagram
Monthly Progress Report Template Word
Master Program Scholarship Application Scholarship Essay Sample
Legalzoom Stock Certificate Template
One Day Hourly Timetable Template
Quality Management Plan Template Excel
Printable Raven Silhouette
Megaphone Template Cut Out
One Page Business Case Study Template
Letter Of Engagement Template For Bookkeeper In Australia
Patient Registration Form Template
Medical Billing Invoice Template
Printable Employee Injury Report Form Template
Quickbooks Inventory Import Template
Led Electronic Flasher Wiring
Lines Of Symmetry Worksheet
Printable Pool Party Invitation Templates
Macys Shoe Coupons Printable
Notice To Vacate Email Template
Powerpoint Project Executive Summary Example