Printable DB
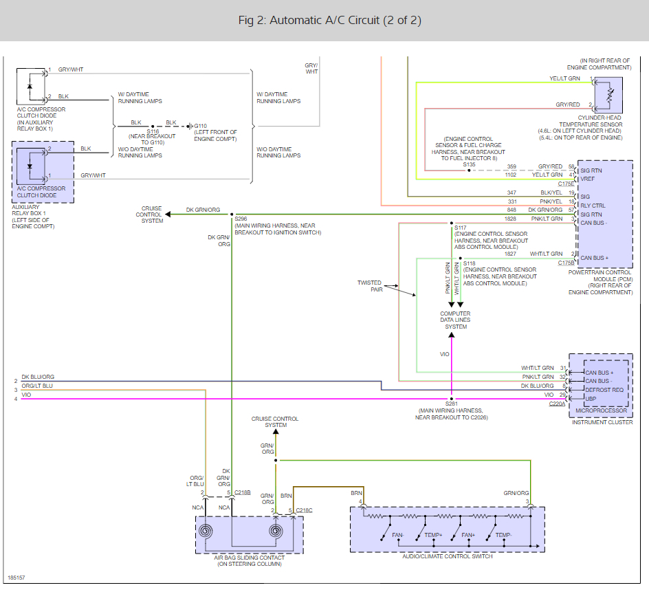
Air Conditiong Wiring Diagram 1996 Ford F 350
cpr certification solutions bedminster
charity event proposal letter sample
best way to organize business receipts
email format template word
electronic sign ballast wiring diagram
digital certificate authority
employee benefits flyer template
certificate of judgement ohio
Air Conditiong Wiring Diagram 1996 Ford F 350 Wiring Diagram
Ac Heater Fan Quit Working Suddenly Ford Truck Enthusiasts
Solved Ac Relay For F150 Fuse Box Diagrams Ac Clutch Fixya
Air Conditiong Wiring Diagram 1996 Ford F 350 Wiring Diagram
Air Conditioner Not Working I Have A Problem With My Ac In
Need A Hot Wire From Ac Compressor Ford Truck Enthusiasts
Air Conditiong Wiring Diagram 1996 Ford F 350 Wiring Diagram
Btw I Do Have Power To The Connector That Plugs Into The Low
Do You Have Ford Blower Motor Resistor Problems Or Another
Air Conditiong Wiring Diagram 1996 Ford F 350 Wiring Diagram
Ac Clutch Relay Location Ford Truck Enthusiasts Forums
Ignition Wire Diagram 1996 F150 Ford F150 Forum
Air Conditioner Not Working I Have A Problem With My Ac In
Air Conditiong Wiring Diagram 1996 Ford F 350 Wiring Diagram
Btw I Do Have Power To The Connector That Plugs Into The Low
Air Conditioner Not Working I Have A Problem With My Ac In
Ford Truck Technical Drawings And Schematics Section H
Repair Guides
Ac Compressor Won T Run Ricks Free Auto Repair Advice
7 3 Powerstroke Wiring Diagram Google Search Diagram
F150 Ac Clutch Fuse And Relay Locations
Source :
pinterest.com
Popular Posts
Wiring Harnes For A 2013 Honda Pilot
Writing Sample Template
Weekly Project Status Report Sample
Where I My Fuse Box In My Car
Wiring Diagram For 2004 Jeep Grand Cherokee
Weekly Excel Timesheet Template With Formulas
Wire Diagram For 1990 963 Caterpillar Alternator
Wiring Trailer Tail Lights
Wiring Schematic For Suzuki Intruder
Wiring Diagram For A Cessna
Wiring Diagram For A 1986 540 Ford Tractor
Whelen Emergency Light Wiring Diagram
Wordpress Email Template Builder
Western Plow Solenoid Just Clicks
Wiring Diagram For Race Car
Website Style Guide Template Word
Wiring Harnes Clip
Wiring Diagram For Headphones
Wiring Diagram For 2007 Suzuki Xl7
Wedding Planning Excel Template
Wireles Router Network Diagram
Yes No Decision Tree Template
Western Western 61515 Wiring Schematic
Wedding Bartender Contract Template
What Should A Job Resume Look Like
Website Quotation Sample Doc Format
Wiring Diagram For 05 Dodge Truck
Word Document Agenda Notes Template
Wiring Diagram For Kubotum L3800
Wiring Diagram For Trailer Breakaway System
Z225 Wiring Diagram
Writing Thesis Statement Worksheet Answer Key
Wire Harnes For C15 Acert Injector
Writing Letters Worksheets For Preschool
Writing A Rap Song Template
Welcome Address Sample
Wiring Diagram For 1968 Plymouth Roadrunner
Zamil Air Conditioner Wiring Diagram
Wiring Diagram For Trailer With Brake
Word Doc Templates
Wiring Schematic For Garage Door Opener
Wiring Diagram Suzuki Apv Pdf
Wiring Diagram For Farmall 806
Wedding Invitation Psd Template Free Download
Wire Harnes Cover
Wireles Alarm System Block Diagram
Word Contractor Estimate Template
Yamazumi Chart Template
Young Living Flyer Template
Wedding Reception Itinerary Template Free
Wedding Program Template Word
Word Job Application Letter Sample Doc
Wired Fender J Bas Schematic
Whole Year Calendar Template
Youtube Intro Templates Download