Printable DB
Chrysler Crossfire Wiring Diagram
air horn wiring schematic
1997 mazda b2300 wiring diagram
affidavit of truth and facts sample
2004 jettum fuse box map
12 lead ac motor wiring diagram
1997 honda magna wiring diagram
07 kawasaki 650r wiring schematic
auto service invoice template
Factory Amp Wiring Question Crossfireforum The Chrysler
2004 Chrysler Crossfire Wiring Diagrams
Conv Top Wiring Diagram Crossfireforum The Chrysler
View Single Post Speed Sensitive Volume Crossfireforum
Chrysler Crossfire Wiring Diagram
Solved Headlight Wiring Diagrams Fixya
Chrysler Crossfire Wiring Schematic Wiring Schematic
Wrg 7265 Chrysler Crossfire Engine Diagram
Chrysler Crossfire Wiring Harness Wiring Diagram
2006 Chrysler Crossfire Wiring Body Mopar Parts Giant
Chrysler Crossfire Wiring Diagram
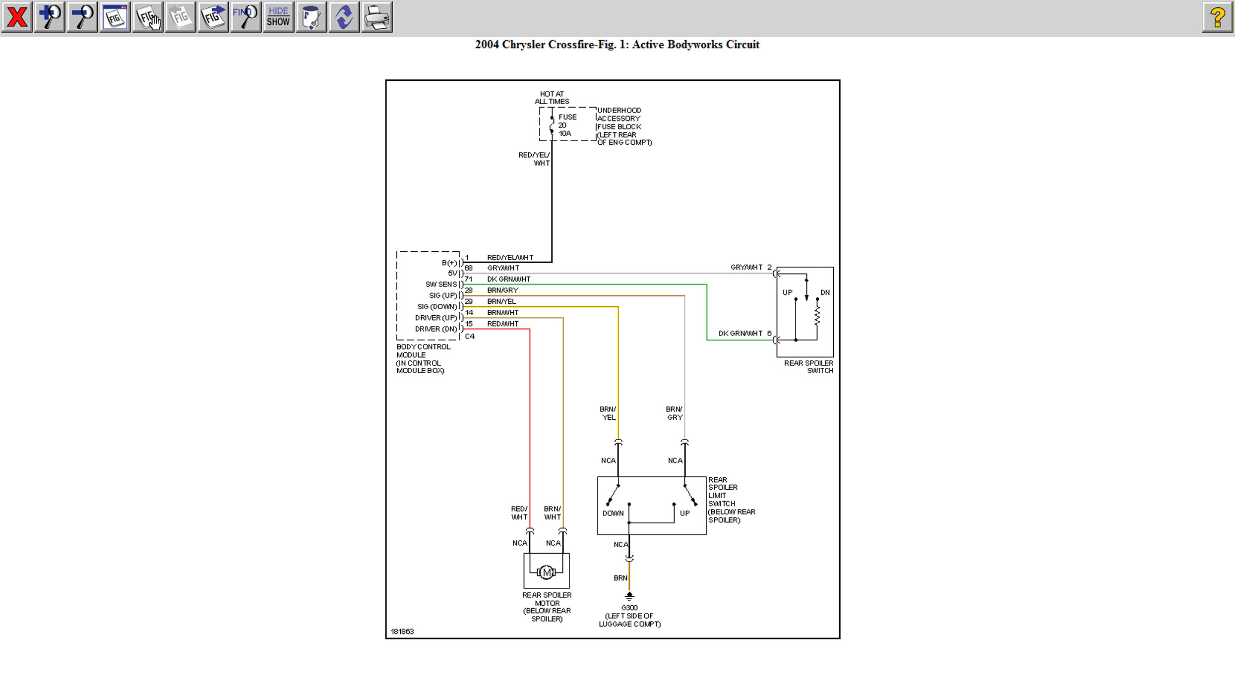
Crossfire Spoiler I Have A 2004 Chrysler Crossfire Which
Chrysler Crossfire Wiring Harness Wiring Diagram
Pulse Module Not Sending Signal Crossfireforum The
Chrysler Crossfire Wiring Harness Wiring Diagram
Chrysler Crossfire Wiring Diagram
Austinthirdgen Org
Infiniti Wiring Diagrams Wiring Diagrams Folder
I Want To Install Oem Fog Lights In A Base Model Chrysler
2004 Crossfire Wiring Diagram
2004 Chrysler Crossfire Pioneer Premier Deh P980bt
Source :
pinterest.com
Popular Posts
Venn Diagram Ppt Template
Viking Range Wiring Diagram
Server Receipt Book
Saturn Radio Wiring Diagram 04
Salon Disclaimer Form Template
Roll Out Plan Template Excel
Simple Bill Of Sale Template For Trailer
Single Coil Sized Humbucker For Strat Bridge
Replace 2009 Rzr 800 Solenoid Wiring
Vw Alternator Fan Diagram
T Shirt Website Template
Sample Resume Format Editable
Rfp Timeline Template
Stereo Wiring Diagram
Time And Motion Study Template Excel Free Download
Shared Savings Contract Template
Simple Diagram Of Thermistor
Reference Letter For Permanent Residency Sample
Sales Order Acknowledgement Template
Risk Assessment Worksheet Template Usmc
Residential Electrical Wiring Cat 6 Home Run
Silverado Wiring Diagram For Backup Camera
Taco Switching Relay Wiring
Six Sigma Black Belt Certification Requirements
Scan A Receipt Walmart Savings Catcher
Squarespace Templates With Parallax
Retirement Party Flyer Template
Sample Grid Paper
Seating Plan Template Powerpoint
Star Tsp100 Future Print Receipt Paper
User Story Template Doc
Top Resume Layouts
Receipt App Earn Money
Resume Software 2019
Water Bill Template
Waldorf Certification Online
Salary Slip Template Hong Kong Excel
Waterproof Printable Vinyl Sheets
Saas Business Continuity Plan Template
Sample Offer Letter For House For Sale By Owner
Salary Scale Template Excel Download
Washington State Construction Contract Template
Toyotum Mr2 Wiring
Strategy Document Template
Resume Builder For Highschool Students Free
Student Cv Template Doc
Saturn Ion 2 Fuse Box
Superwinch Remote Control Wiring Diagram
System Implementation Plan Template Excel
User License Agreement Template
Sample Salon Price List
Template Critical Response Essay Example
Washing Symbols Printable
Vehicle Invoice Template
Social Media Marketing Resume Example