Printable DB
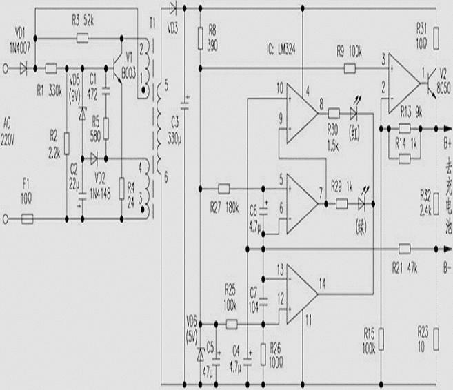
Circuit Diagram Nokium Charger
sample of community health assessment paper
walmart scan receipt save money
tv production contract sample
resume templates 2 pages
rubber stamp design template
rv water system rv plumbing diagram
stem cell certification
relay wiring diagram with buzzer
Circuit Diagram Of Nokia 2610 Mobile Phone Charger
Mobile Phone Battery Charger Circuit Circuit Diagram
Smps Mobile Charger Design Electrical Engineering Stack
Nokia Ac 3 Travel Charger Sch Service Manual Download
Mobile Charger Circuit Diagram 100 220v Ac Circuits Diy
Mobile Phone Charger Circuit Diagram Project Basic
Mobile Charger Circuit Diagram 100 220v Ac Circuits Diy
Nokia Charger Teardown
Nokia 8210 Mobile Phone Travel Charger Circuit
Mobile Phone Battery Charger Eeweb Community
Micro Switch Power Supply Charger Circuit
How To Repair Mobile Charger Circuits Circuits Diy
Nokia N70 Charging Pinout Cable And Connector Diagrams Usb
Wrg 0912 Circuit Diagram Nokia Charger
Circuit Diagram Nokia Charger Wiring Library
How To Modify Ac 15e Phone Charger For Nokia
Schematic Diagram For Nokia Mobile Phones Phone In 2019
How To Repair Nokia 3110c Charger Not Support Wiring
Universal Mobile Battery Charger Circuit Download
Battery Charging Nokia 3310 Nhm Nokia Repair Chicago
Nokia 1280 Charging No Response Solution 100 Tested Mobile
Source :
pinterest.com
Popular Posts
Key And Ignition Switch Wiring Diagram 2004 Impala Pic
Ford 3230 Tractor Wiring Diagram
Hospital Receipt Template Word
Free Scrum Certification Online
Free Sales Order Form Template Excel Download
Finance Website Templates Free Download
Free Appraisal Form Template
How To Write An Invitation Letter Sample
Free Printable St Patricks Day Writing Paper
Free Wedding Templates
Format Formal Format Example Of Friendly Letter
Fog Light Wiring Diagram Battery
Ford 9n Electrical Wiring
Kium Optima Fuse Box On
Free Baby Shower Elephant Invitation Templates
Free Payslip Template Excel
Factory Schematic
Irrevocable Living Trust Template
Google Data Studio Google Analytics Template
Fender P Bass Lyte Deluxe For Sale
It Inventory Template
Hipaa Professional Certification
Harley Davidson 2008 Flhx Wiring Diagram
Kitchen Cabinet Handle Template Home Depot
Federal Resume Guidebook
Fiat Scudo Fuse Box Layout
Free Printable Daily Task Planner
Free Printable Last Will And Testament Wv
Food Safety Plan Template Fsma
Guided Reading Lesson Plan Template Kindergarten
How To Write An Expression Of Interest Sample
Fourth Grade 4th Grade Reading Worksheets
Isentropic Diagram Pv
Free Business Letter Format Template
Free Printable Free Graduation Flyer Template
Free Printable Last Will And Testament Georgia
Excel Stock Diagram
House Wiring Art
Free Food Inventory Spreadsheet Template
Kudankulam Nuclear Power Plant Diagram
Hr Block Coupons Printable 2018
Good Resume Templates Word
Firefighter Birthday Party Free Printables
Https Wordpress Com Templates
Flash Card Design Template
Free Printable Family Group Sheets
High School Resume Builder For College
Free Printable Domino Collage Sheets
Jessica Lunsford Certificate
House Cleaning Free Editable Cleaning Schedule Template
Home Care Website Templates
Job Offer Acceptance Email Template
Ezgo Golf Cart Wiring Diagram Ga Engine
Generic Cover Letter Sample
Hubzone Certification Number