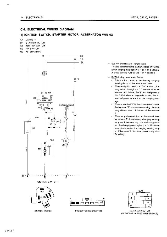
Daewoo Alternator Wiring Diagram

Daewoo is one of the largest south korean chaebols financial and industrial groups.
Daewoo alternator wiring diagram. You find they have plastic plugs on the end and are different sizes so you cant get the wiring wrong. Changing alternator on 2001 daewoo lanos i am attempting to remove alternator from my 2001 lanos and the lower pivot daewoo 2001 lanos question. Wiring guide for the gms delco type cs130 series alternator used on many. Sep 14 2009 1998 dodge neon.
Delco remy cs130 alternator wiring diagram several of 12v delco remy alternator diagram are around for free while some are payable. 12 volt alternator installation operation manual introduction. Not finding what you are looking for. Hope this hleps wo a diagram.
Everything depends on the conditions in which the car is operated. The interval of replacement of the air filter on the crossover chevrolet captiva is set by the manufacturer at a level every 30 thousand kilometersbut not always this interval is appropriate to withstand. Locate three thin wires near the denso alternator. Alternator b wire and terminal nut.
In 1999 it was liquidated by the government of south korea but individual units continued to operate as separate enterprises that were part of the concern of general motors. Wiring instructions for the early gm delco remy external regulated alternator. Connect alternator to balmar regulator wiring harness as indicated in wiring diagram included on page 12. Delco remy cs130 alternator wiring diagram.
The alternators positive and ground cables should. You can also find other images like wiring diagram sensor location fuel pump location starter location control module. Daewoo car manuals pdf wiring diagrams above the page. The company was founded on march 22 1967 under the name daewoo industrial.
The opposite end of one wire goes to the ignition warning lights another is a permanent live low ampere wire that goes to the battery and the third is a low voltage wire that goes to the. 2002 daewoo leganza wiring diagram i am new to installing alarms and need to get a diagram for my 2002 daewoo leganzai am especially having trouble with getting the starter interupt to workthanksany help would be appreciated.