Mahindra Wiring Diagram

Mahindra Bolero Wiring

Mahindra Bolero Wiring

Mahindra Bolero Wiring

Mahindra Bolero Wiring

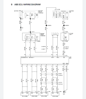
Mahindra Vehicle Wiring Diagram Scorpio Abs

Mahindra Vehicle Wiring Diagram Scorpio Abs

Mahindra Vehicle Wiring Diagram Scorpio Abs

You can also find other images like mahindra tractor problemsmahindra tractor startermahindra tractor enginemahindra tractor steering diagrammahindra tractor seatsmahindra tractor lightsmahindra tractor partsmahindra tractor radiatormahindra tractor.

Mahindra wiring diagram. Mahindra 6110 electrical diagram here you are at our site this is images about mahindra 6110 electrical diagram posted by maria nieto in mahindra category on oct 07 2019. Mahindra car manuals pdf wiring diagrams above the page. Page 1 of 3 1 2 3 next oct 26 2007 1. You can also find other images like images wiring diagram images parts diagram images replacement parts images electrical diagram images repair manuals images engine diagram images engine scheme diagram images wiring.

Wiring diagrams are technical drawings representing the electrical electronic structure of the vehicle. In 1945 a man named john mahindra while india was a diplomat in washington decided to give up his political career in order to do serious business. Mahindra problems discussion in mahindra lenar started by haydenpage oct 26 2007. Understanding this manual is the quickest way to identify and repair a trouble first time right.

This expansion supports and fuels our rapid growth in mahindra territory. To speed delivery time and for improved dealer service mahindras integrated new warehouse system offers capacity up to 25000 mahindra tough parts same day shipping and online returns. We choose to talk about this mahindra tractor electrical wiring diagrams picture on this page simply because based on information coming from google engine it is one of the top rated searches key word on the internet. Mahindra tractor electrical wiring diagrams is probably the images we located on the web from reputable sources.

View download of more than 98 mahindra pdf user manuals service manuals operating guides. Automobile user manuals operating guides specifications. I bought a mahindra tractor and after months of no luck i traded it for another mahindra 5035 200 hours on and the wiring burned up it is under warrenty and tatum motor company keeps saying the parts are on. Wiring diagram mahindra max 25 this is images about wiring diagram mahindra max 25 posted by benson fannie in wiring category.

The wiring manual outlines complete electrical network plan of the mahindra bolero maxitruck plus vehicle.

Mahindra Xylo M2dicrde Wiring Manual Mam 00132 Rev 2 Aeheo

Mahindra Xylo M2dicrde Wiring Manual Mam 00132 Rev 2 Aeheo

Mahindra Bolero Wiring

Mahindra Bolero Wiring

Wiring Diagram Mahindra 28 Wiring Diagram

Wiring Diagram Mahindra 28 Wiring Diagram

Mahindra Tractor Ignition Switch Wiring Mahindra 3016

Mahindra Tractor Ignition Switch Wiring Mahindra 3016

Mahindra 2216 Wiring Diagram Online Wiring Diagram Cars

Mahindra 2216 Wiring Diagram Online Wiring Diagram Cars

Mahindra Bolero Wiring

Mahindra Bolero Wiring

Wiring Diagram Mahindra 7010 Wiring Diagrams Delete

Wiring Diagram Mahindra 7010 Wiring Diagrams Delete

Mahindra Wiring Diagram Wiring Diagram

Mahindra Wiring Diagram Wiring Diagram

Mahindra Bolero Wiring

Mahindra Bolero Wiring

Mahindra Wiring Diagrams Schematics Online

Mahindra Wiring Diagrams Schematics Online

Mahindra Wiring Diagrams Schematics Online

Mahindra Wiring Diagrams Schematics Online

Wiring Diagram Mahindra 28 Wiring Diagram

Wiring Diagram Mahindra 28 Wiring Diagram

Mahindra Xuv500 Service Manual Wiring Diagram

Mahindra Xuv500 Service Manual Wiring Diagram

Mahindra Bolero Slx Sle Zlx Wiring Manual Diagram

Mahindra Bolero Slx Sle Zlx Wiring Manual Diagram

Mahindra Bolero Wiring

Mahindra Bolero Wiring

Mahindra Scorpio Service Manual Wiring Diagram

Mahindra Scorpio Service Manual Wiring Diagram

Mahindra Maxximo Wiring Manual Man 00116 Rev 2 Aeheo

Mahindra Maxximo Wiring Manual Man 00116 Rev 2 Aeheo

Mahindra Scorpio Wiring Diagram Pdf Diagram Diagram

Mahindra Scorpio Wiring Diagram Pdf Diagram Diagram

Source : pinterest.com

Popular Posts