Printable DB
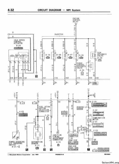
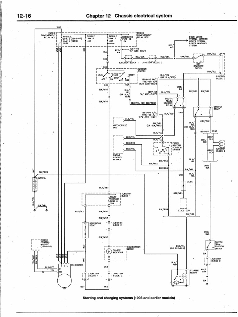
Mitsubishi Space Wagon Wiring Diagram
best animated website templates
bathroom fan motor wiring diagram
2008 mustang fuse box diagram labeled
2009 jeep wrangler unlimited wiring diagram
accounts payable and receivable template excel download
advil pm free printable coupons
97 ford expedition eddie bauer edition
4th grade math problems worksheets pdf
Mitsubishi Ebook Soft Wiring Diagram Mitsubishi Space
Wrg 1641 Wiring Diagram Mitsubishi Space Wagon
Mitsubishi Space Wagon Wiring Diagram Pdf Files Epubs
Wiring Diagram Mitsubishi Space Wagon Wiring Library
Mitsubishi Space Runner Space Wagon Pdf Service Workshop
Wiring Diagram Mitsubishi Outlander 2007 Wiring Library
Wiring Diagram Mitsubishi Space Wagon Wiring Diagram
Wiring Diagram For Evoiii Ecu Galant Vr 4 Technical
Mitsubishi Space Wagon Free Workshop And Repair Manuals
Mitsubishi Space Runner Wagon 2001 Wiring Diagrams Auto
Wrg 3497 Wiring Diagram Mitsubishi Space Wagon
Wagon Manual Pdf
Mitsubishi Space Runner Space Wagon A K A Mitsubishi Rvr Mitsubishi Expo Lrv Workshop Service Repair Manual 1999 2001 8 000 Pages 110mb
1986 1988 Mitsubishi Space Wagon D08w Oem Parts Eur
Wiring Diagram Mitsubishi Chariot Mitsubishi Space Wagon
Space Wagon Mitsubishi Car Manuals Literature Ebay
1998 Mitsubishi Space Wagon 7 Seater 354715
Mitsubishi Space Runner Space Wagon A K A Mitsubishi Rvr Mitsubishi Expo Lrv Workshop Service Repair Manual 1992 1994 2 800 Pages 93mb
Mitsubishi Space Wagon Service Repair Workshop Manual Pdf By
1998 Mitsubishi Space Wagon 7 Seater 354715
Pin On Jacks Workshop Manuals For Sale
Source :
pinterest.com
Popular Posts
99 Miatum Fuse Diagram
1990 E30 325i Engine Diagram
2006 Wrangler Wiring Diagram
49cc Mini Chopper Part Diagram
Apostle Ordination Certificate Template
360 Deal Contract Template
Architecture Templates For Powerpoint
1954 Chevy Wiring Diagram 12v
1st Birthday Teddy Bear Invitation Template Free
Beauty Certifications Online
120vac Motor Diagram
Autocad Certification Jobs
94 Dodge Caravan Wire Diagram Headlight
2nd Grade Sight Words Worksheets Pdf
3 5 Mm Jack To Usb Wiring Diagram
98 Honda Accord Wiring Diagram
Agreement To Pay Contract Template
2001 Ford Ranger Fuse Box Diagram
95 Mitsubishi Eclipse Fuel Injection Wiring Diagram
3rd Grade Class 3 Social Studies Worksheets
99 Ford F150 Fuse Box
1982 Alfa Romeo Engine Compartment Diagram
Ats Online Resume
2007 Monte Carlo S Fuse Box
4x6 Index Card Template
2015 Ktm Wiring Diagram
2000 Monte Carlo Wiring Diagram
Basic Starter Circuit
All About My Dad Printable Book
1998 Ford Explorer Starter Location
95 Dodge Caravan Wiring Diagram
2008 Ford Fusion Stereo Wiring Diagram
2004 Suzuki Xl7 Part
1965 Chevelle
1998 Subaru Legacy Engine Schematic
Behavior Change Certification
Analysis Template Excel
120 Mercruiser Engine Wiring Diagram
1991 Toyotum Camry Wiring Diagram Cressida Electrical
78 Cj5 Wiring Diagram
Air Conditioner Wiring Diagram Capacitor
Administrative Assistant Manual Template
5th Grade Multiplication Printables
2000 Mack Ch613 Fuse Panel Diagram
4l80e Transmission Diagram Breakdown
2019 Printable Calendar One Page
3 Pin Headlight Wiring Diagram
Atla Cah 4wiring Diagram
2004 Jeep Wiring Harnes
Axure Sitemap Template
Avh X1500dvd Wiring Diagram Color
Accounting Certificate Maryland
1993 F250 Headlight Switch Wiring Diagram
Affidavit Of Sworn Statement Sample
1970 Mustang Ignition Wiring Diagram