Printable DB
Panasonic Schematic Diagram
business cleaning cleaners checklist templates
corporate email template
beverage air cooler wiring diagram
durango fuse box
blank probability tree diagram template
business sample letter with enclosed documents
birth certificate kiosk cincinnati
dorman cigarette lighter wiring diagram
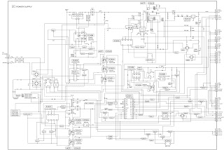
Panasonic Tv Circuit Board Diagrams Schematics Pdf Service
Panasonic Tv Circuit Board Diagrams Schematics Pdf Service
15 Schematic Diagram Cold Hot Panasonic Dvd K29gcs User
Panasonic Rs 768us Schematic Diagram Analog Alley Manuals
Panasonic Tc 43p18g Rear Projection Tv Power Supply Circuit
Minas E Series Wiring Connection Panasonic Industrial Devices
Panasonic Viera Wiring Schematic Wiring Diagram
Ap4t01 Microwave Oven Schematics Inverter Power Supply
Minas A5 Family Wiring Connection Panasonic Industrial
Ap6z01 Microwave Oven Schematics Panasonic Appliance Of America
Panasonic Schematic Diagram Panasonic Tv Circuit Diagram Pdf
Panasonic Tc L42s20b Lcd Tv Smps Power Supply Schematic
Panasonic Inverter Microwave Oven Schematic Request
Minas E Series Wiring Connection Panasonic Industrial Devices
Tv Panasonic Tc 21 Fj30la
Looking For Panasonic Model Nn S760 Countertop Microwave
Schematic Diagrams Panasonic Plasma Tv Th42 Th37 Power
Minas A6 Family Wiring Connection Panasonic Industrial
Panasonic Nn 6270 Microwave Circuit Diagram
Panasonic Dvd K29gcs 15 Schematic Diagram
Schematic Diagrams Tv Panasonic Wiring Diagram Set
Source :
pinterest.com
Popular Posts
State Of Texas Template
Raffle Sample
Template Apa Style Essay Format
Sample Quote For Services
Sponsor Roadmap Template
Real Apple Receipt Email
Sample Letter Of Thanks And Appreciation
Social Contract Sample
Vector Addition Worksheet
Roketum 250 Wire Diagram
Salon Receipt Book
Toyotum Yari Fuse Box 2007
Vendor Evaluation Supplier Scorecard Template
Tv Commercial Advertisement Script Sample
Traffic School Certificate Of Completion California
Risk Report Template
Texas Sped Certification
Sample Equity Participation Agreement
Surgery Schedule Template
Trade Show Budget Template Free
Software Developer Resume Examples
Sports Betting Excel Template
Sample Letter Of Intent For Construction Work
Tooth Fairy Template Printable
Secret Santa Wish List Template
Wage Slips Template Free Downloads
Simple Budget Worksheet For Kids
Self Introduction Preschool Teacher Introduction Letter To Parents Sample
Strato Boat Wiring Diagram
Sports Invitation Template
Smart Action Plan Template Nursing
Utility Trailer Wiring Diagram
Starbucks K Cups Printable Coupons 2019
Unabridged Birth Certificate
Toyotum Fj Wiring Diagram For Trailer
Sample Letter Of Application For Scholarship Grant
Sample Product Survey Questions
Transmission Part Diagram And Name
Verbal Warning Email Sample
Taco Bar Sign Up Sheet Printable
Security Agreement Template
Vg30e Engine Diagram
Termination Documentation Template
Real Estate Listing Sheet Template
Superwinch Lp8500 Dimension
Simple Financial Statement Template Excel
Resignation Letter Templates Uk
Trailer Plug Wiring Diagram South Africa
Sample Application For Leave Of Absence
Sample Letter Asking For Financial Help Due To Illness
Tri C Certificates
Sports Massage Certification
Uchicago Editing Certificate
Rib Head Diagram
Simple Led Clock Circuit Diagram