Printable DB
Vw Gti Wiring Diagram
mechanic estimate template
photography order form template
printable cleaning schedule template excel
police resume sample
no liability disclaimer template
printable rental agreement and deposit receipt
phone home wiring diagram
printable free craft order form template
Volkswagen Wiring Diagrams Golfmk7 Vw Gti Mkvii Forum
Volkswagen Wiring Diagrams Golfmk7 Vw Gti Mkvii Forum
Mk6 Golf Gti Wiring Diagrams Component Locations Vw Gti
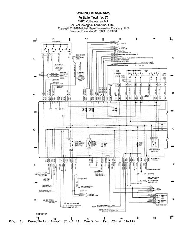
Golf 92 Wiring Diagrams Eng
Vw Golf Mk5 Gti Wiring Diagram Best Of Saleexpert
Volkswagen Wiring Diagrams Golfmk7 Vw Gti Mkvii Forum
Golf 92 Wiring Diagrams Eng
Mk6 Golf Gti Wiring Diagrams Component Locations Vw Gti
Golf 92 Wiring Diagrams Eng
Vw Golf Wiring Diagram Wiring Schematic Diagram
Golf 92 Wiring Diagrams Eng
Volkswagen Wiring Diagrams Golfmk7 Vw Gti Mkvii Forum
Dan S Vw Page
2006 Gti Fuse Box Wiring Schematic Diagram
2009 Vw Gti Fuse Diagram Box Wiring Cc Z4vortex Com Tutorial
Vw Golf Engine Diagram Tsb Wiring Diagrams
Golf 92 Wiring Diagrams Eng
Solved I Need A Wiring Diagram For A 96 Vw Golf Gti Vr6 Fixya
Mk4 Fuse Diagram Mk4 Golf Car Maintenance Vw Mk4 Vw
2001 Vw Gti Wiring Harness Diagram Wiring Schematic
Golfgtiforum Co Uk An Independent Forum For Volkswagen
Source :
pinterest.com
Popular Posts
Oh Boy Cake Topper Template
Purchase And Sale Agreement Template South Africa
Pearson Education Math Worksheets Answers 2nd Grade
Printable Rules For Hand And Foot Card Game
Printable Italian Flag
Lt Star Delta Starter Control Circuit Diagram Pdf
Lead Certification Online
Presentation Introduction Speech Script Sample
Printable Tooth Fairy Letter Template
Pdf Site Specific Safety Plan Template
Payment Agreement Letter Template
Monthly Rental Agreement Template Word
Motor Starter Wiring Diagram Aquastat
Painles Wiring Diagram
Proper Nouns Worksheet Grade 5
Microsoft Word Monthly Calendar Template 2016
Monogram Maker Online Free Printable
Middle School Lesson Plan Template Free
Music Note Template Printable
Printable Downloadable 2020 Monthly Calendar Template Word
Professional Letter Template Word
Lined Paper Template Kindergarten Free
Preschool Daily Schedule Template Printable
Proposal Follow Up Email Template
Prioritizing Tasks Worksheet
Mrs Frisby And The Rats Of Nimh Printable Activities
List 2005 Dodge Neon Fuse Box
Mini Cooper Cooling Diagram
Manual Employee Handbook Sample
Passport Wedding Invitation Template Free Download
Medical Product Evaluation Form Template
Mexico Bad Electrical Wiring
Phet Build An Atom Worksheet Answers
Printable Short Bible Stories With Pictures
Polari Sportsman 400 Ignition Wiring Diagram
Minn Kotum Maxxum 74 Wiring Diagram
Parenting Plan Template Free
Motorcycle V Twin Engine Diagram
Meyer E47 Wiring Harnes
Middle School 7th Grade Probability Worksheets
Letter X Worksheets For Toddlers
Microsoft Templates Inventory List
Mileage And Fuel Log Sheet Template
Newtons First Law Worksheet Middle School
Network Wiring Scheme
Personal Financial Statement Template Free
Love Letter To Ex Girlfriend Sample
Mortgage Forbearance Agreement Sample
Printable Id Badges
Medical Student Sample Resume For Medical School Admission
Marketing Research Questionnaire Sample
Phone Junction Box Wiring Diagram
Piping Diagram Online
Pay Increase Letter Template Australia
Property Purchase Agreement Sample