Vw Ignition Wiring Diagram

Wiring diagrams spare parts catalogue fault codes free download.
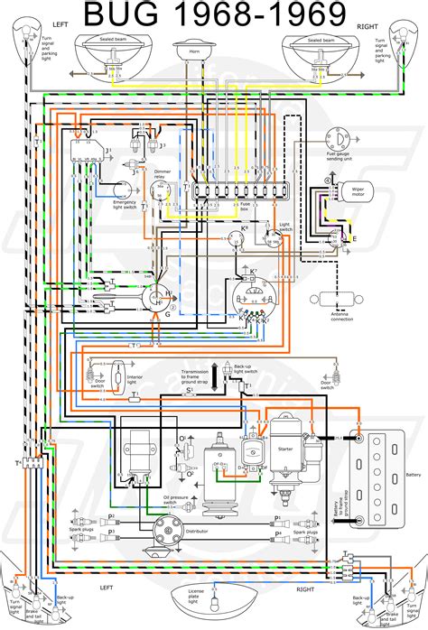
Vw ignition wiring diagram. Vintage vw wiring diagrams repairing the wiring on your air cooled volkswagen can be one of the most complicated and challenging parts of the restoration process. Vw buses from 1949 to 1967 including pictures descriptions and technical information of microbuses kombis panels standards pickups and more. The first and most important thing to learn when doing a full re wire of your vw is the basic rules of wire colouring and how to read a wiring diagram. Wiring diagram for sony car stereo the and cdx 28 images wiring diagram for sony car stereo the wiring diagram sony car cd player wiring diagram wiring diagram and sony car stereo schematics misc wiring diagram for sony radio detoxme info an vw type 3 wiring diagrams in vw diagram in 2003 vw passat wiring diagram see more.
111905865k vw ignition switch electrical assembly. Wiring diagrams spare parts catalogue fault codes free download. Volkswagen transporter workshop and repair manuals service owners manual. Wire sizes on these and most other wiring diagrams are printed on the wire in mm 2for americans who express wire sizes in gauges see this wire size conversion table.
It is likely that your vws wiring has been tampered with by different owners over the years. 1958 1959 vw 1200 beetle wiring diagram 1962 1965 vw beetle wiring diagrams 1964 vw1500 karmann ghia wiring diagram 1964 vw beetle 1500n wiring diagram 1966 vw beetle 1300 wiring diagram 1966 vw fastback sedan 1600 us version wiring diagram 1966 vw fastback sedan 1600tl wiring diagram 1967. Din terminal designations a table of what those numbers on electrical parts mean. This article includes the following subtopics.
You will find excellent wiring diagrams for all makes years and models of vws at vw wiring diagrams. Pict 2e3 2e4 carburettor. 16l diesel and turbo diesel injection system.