Printable DB
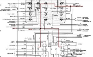
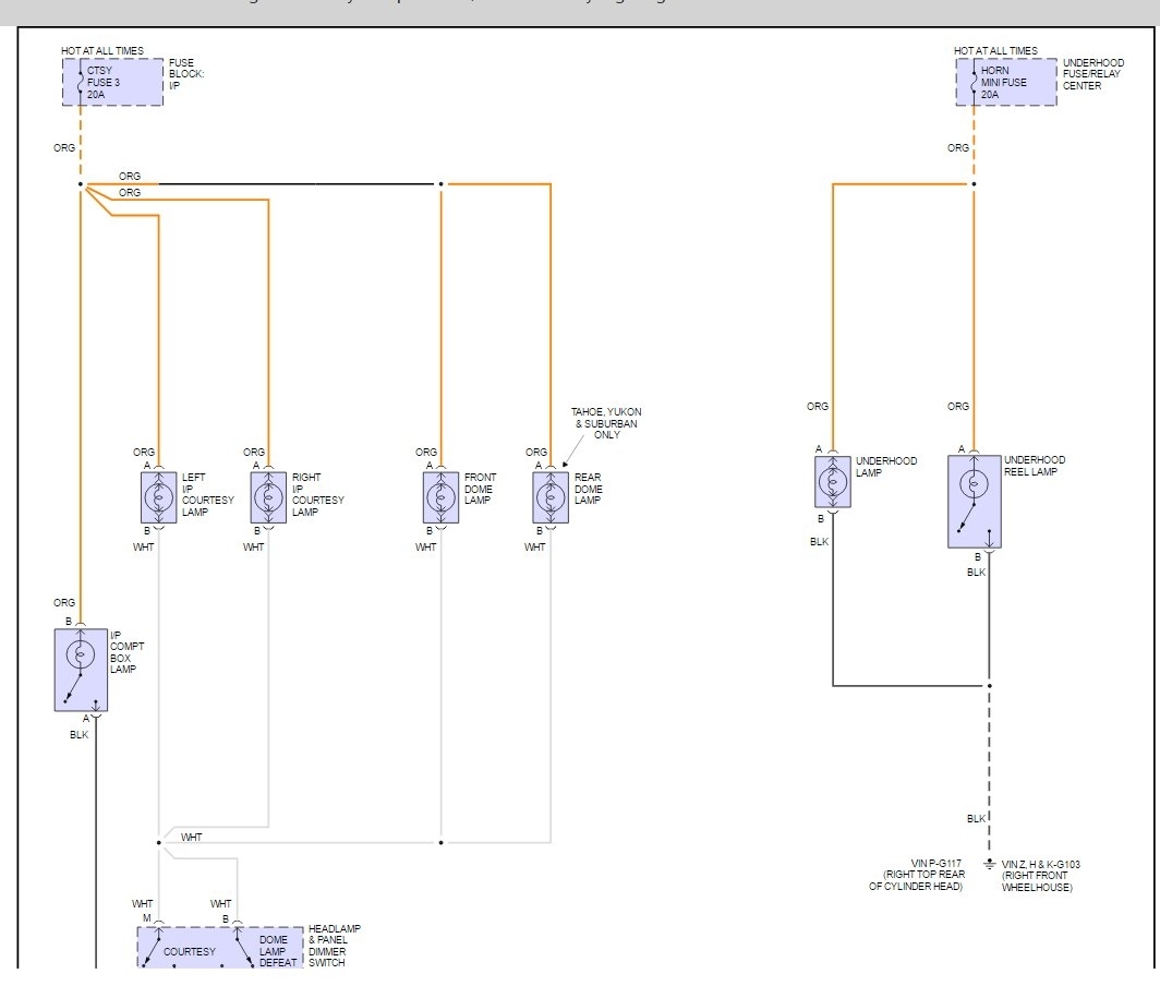
Wiring Diagram Ctsy Fuse 1992 Chevy Truck
2005 chevrolet wiring diagram
1995 isuzu npr repair manual
avery christmas letter templates
1973 firebird wiring diagram
1950 farmall cub tractor wiring diagram for
2003 passat fuse box
1988 camry part diagram
2001 jettum wiring diagram
On A 1994 Chevy Suburban Courtesy Fuse Blows Immediately
What Runs Off The Ctsy Fuse On A 94 K3500
What Runs Off The Ctsy Fuse On A 94 K3500
What Runs Off The Ctsy Fuse On A 94 K3500
I Have A 91 Gmc K2500 And I M Looking For The Wiring Diagram
What Fuse Is For The Cigarette Lighter 1988 1998 Chevrolet
Where Is The Cigarette Lighter Fuse For A 1994 Chevy 2500
Fuse Panel I Have Lost My Diagram For The Fuse Panel My
Fuse Panel I Have Lost My Diagram For The Fuse Panel My
2009 Chevrolet Tahoe Fuse Box Diagrams Ricks Free Auto
Fuse Box Diagram My Truck Is A V8 Two Wheel Drive Automatic
Chevy S 10 Fuse Box Wiring Diagram
Fuse Panel I Have Lost My Diagram For The Fuse Panel My
92 Gmc Fuse Box Wiring Diagram
98 Chevy S10 Fuse Box Diagram Wiring Schematic Diagram
Dome Light Courtesy Lights Dome Light Does Not Always Turn
92 Gmc Sierra Fuse Box Wiring Diagram
1993 Instrument Panel Fuse Box Gm 4 3l 5 0l 5 7l
Fuse Panel I Have Lost My Diagram For The Fuse Panel My
2009 Chevrolet Tahoe Fuse Box Diagrams Ricks Free Auto
Where Is The Horn Relay Located On A 1994 Gmc Sierra 1500
Source :
pinterest.com
Popular Posts
Jeep Wiring Diagram Overdrive
Hr Letter Template
Excel Spreadsheet Downloadable Free Family Tree Template Excel
It Request Form Template
Fuse Box Diagram 2008 F350 Cab Chassi
Free Interior Design Resume Templates
Hvac Drawing Book
Job Interview Thank You Interview Letter Sample
H Plane Tee Diagram
Job Evaluation Form Sample
Health Risk Assessment Template
Ford Super Duty Power Window Wiring Diagram
Google Ads Tracking Template Example
Free Auto Loan Agreement Template
Jeep Jk Fuel Diagram
Last Will Template Pdf
Fake Id Templates Uk
Fake Id Template Download
Kvt 815 Wiring Diagram
Kindergarten Report Card Template Free
Government Sample Proposal Letter For Funding
Ford F 150 1997 4 6l Engine Diagram
General Sales Agreement Template
Jvc Wiring Diagram
Iiba Certification Cost
Free Sample Confidentiality Agreement
Jeep Wrangler Wiring Diagram
Ged Replacement Certificate
Free Ebay Templates Html
Gmc H2 Fuse Box
Heartland Wiring Schematic
Free Study Planner Template
Job Reference Sample
Jeep Wrangler Radio Wiring Harnes Adapter For
Free Printable Date Night Jar Printable
Honda 125 Motorcycle Engine Diagram
Free Child Travel Consent Form Template Uk Gov
Household Budget Excel Monthly Budget Template
Fiber Optic Certification
Jeep Patriot Fan Removal
Job Application Simple Resume Cover Letter Template
House Rental Receipt Template Word
Iveco Engine Fuel System Diagram
Headlight Switch Wiring Diagram
Faa Dispatcher Certificate
Johnson Wire Diagram 150 2000
Free Candy Bar Wrapper Template For Word
Gobo Template Psd
German A2 Email Writing Samples Pdf
Free Printable Cards For Administrative Professionals Day
Gmc Yukon Xl Wiring Diagram
Lash Certification Georgia
How To Create A Resume On Macbook Air
Free Printable Women S Conference Flyer Template Free
Experience Certificate Samples Uae