Beech 36 Tc Wiring Diagram

Wrg 1615 Beech 36 Tc Wiring Diagram

Wrg 1615 Beech 36 Tc Wiring Diagram

Beechcraft Bonanza A36 Poh Flight Manual Hand By Jone Zak

Beechcraft Bonanza A36 Poh Flight Manual Hand By Jone Zak

Csobeech Bi Color Led For Landing Gear Indication G5 Install

Csobeech Bi Color Led For Landing Gear Indication G5 Install

Csobeech Bi Color Led For Landing Gear Indication G5 Install

Beech bonanza a36 b36tc wiring diagrams part 35 590102 11c wiring diagrams bea36b36tc w n 35 590102 11c.

Beech 36 tc wiring diagram. Beech 36 tc wiring diagram 6. G36 e 3630 e 3636 and after avionics. Beech 36 a36 a36tc b36tc ipc parts catalogmanual pdf service manual download here beech 36 a36 a36tc b36tc ipc parts catalogmanual pdf service manual beech 36 a36 a36tc b36tc bonanza aircraft illustrated parts catalog. Beech 333536 series maintenance library.

Home civilian beechcraft beech 33 35 36 series beech 33 35 36 maintenance manuals beechcraft bonanza f33a f33c v35b a36 wiring diagram manual rev1982. Faa propeller type certificate data sheets. Faa engine type certificate data sheets. Reports that bonanzas d 4866 through d 9068 use this bz r31 switch.

Iml manuals available on ipad bonanza a36b36tcg36 iml 36 rev 40 apr 2013. Century iii wiringpdf 02 may 2007 1059 90k. Home civilian beechcraft beech 33 35 36 series beech 33 35 36 maintenance manuals beech bonanza f33a f33c v35b a36 a36tc b36tc wiring diagram manual. Beech bonanza f33a f33c v35b a36 a36tc b36tc wiring diagram manual 1995.

The bushing 48 on the idler arm in the part diagram is often neglected. Check your parts catalog to be sure you get the proper part for your serial number. This manual is clear and written in a way so that just about anybody can follow it this manual is bookmarked. 35 590102 9e1 29 jan 1999 f33a f33c v35b a36 a36tc b36tc wiring diagram manual 226 36 590001 11b g36 maintenance manual supplement for aircraft with garmin g1000 equipment installed e 3630 e 3636 after available in cd or iml only 1 may 2008 na 36 590001 13e 1 oct 2013 g36 wiring diagram manual e 3630 e 3636 after 141.

Beech lister greg g. Beech 36 tc wiring diagram 18. Beechcraft bonanza v35b v35b tc parts catalog 1987 35 590102 5e4 1395. Electrical wiring diagram manual.

Beechcraft aircraft bonanza f33a f33c v35b a36 a36tc b36tc 28 volt system wiring diagram manual by aeroteks. 2004 impala hvac schematic. V35b a36 a36tc b36tc wiring diagram manual 36 590001 11b g36 maintenance manual supplement for aircraft with garmin g1000 equipment installed e 3630 e 3636 after available in cd or iml only. Beech bonanza f33a f33c v35b a36 a36tc b36tc.

Beechcraft bonanza f33a f33c v35b a36 wiring diagram manual rev1982 1395.

Beechcraft Bonanza A36 Maintenance Manual

Beechcraft Bonanza A36 Maintenance Manual

Beechcraft Bonanza 36 35 Parts Service Manual 39 99

Beechcraft Bonanza 36 35 Parts Service Manual 39 99

Csobeech Beechcraft Landing Gear Tips

Csobeech Beechcraft Landing Gear Tips

Single Pilot Directory The Single Pilot Lineup Aopa

Single Pilot Directory The Single Pilot Lineup Aopa

Beech 33 35 36 Maintenance Manuals Archives

Beech 33 35 36 Maintenance Manuals Archives

Beechcraft Bonanza 36 35 Parts Service Manual 39 99

Beechcraft Bonanza 36 35 Parts Service Manual 39 99

Radio Controlled Aircraft Wikipedia

Radio Controlled Aircraft Wikipedia

Westin S Classic General Aviation 1940 To 1965

Westin S Classic General Aviation 1940 To 1965

Beech Bonanza F33a F33c V35b A36 A36tc B36tc Wiring Diagram

Beech Bonanza F33a F33c V35b A36 A36tc B36tc Wiring Diagram

Beechcraft Bonanza 36 35 Parts Service Manual 39 99

Beechcraft Bonanza 36 35 Parts Service Manual 39 99

Tip Tanks D Shannon Aviation

Tip Tanks D Shannon Aviation

Csobeech Beechcraft Landing Gear Tips

Csobeech Beechcraft Landing Gear Tips

Beechcraft Manual Revision Status

Beechcraft Manual Revision Status

Beech Maintenance Parts Manuals

Beech Maintenance Parts Manuals

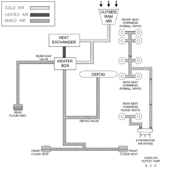
System Description

System Description

Three Wire Well Pump Diagram Digital Resources

Three Wire Well Pump Diagram Digital Resources

R1224 Regulator Plane Manualzz Com

R1224 Regulator Plane Manualzz Com

Beechcraft Manuals Archives Ebookmanualslib

Beechcraft Manuals Archives Ebookmanualslib

Source : pinterest.com

Popular Posts