Printable DB
Plymouth Breeze Radio Wiring Diagram
free printable 4th grade history worksheets
free resignation template
free kg worksheets
how to tailor resume reddit
free printable football squares
excel room finish schedule template
follow up email template for job interview
gain laundry detergent coupons printable
98 Plymouth Breeze Fuse Box Digital Resources
Chrysler Wiring Diagrams
2000 Plymouth Breeze Fuse Box Wiring Diagram
2000 Plymouth Breeze Engine Diagram Downloaddescargar Com
Wiring Diagram 2001 Durango Heat Wiring Diagram
Plymouth Breeze 98 1998 Factory Car Stereo Wiring Installation Harness Oem Radio Install Wire
2000 Plymouth Breeze Dash Light Wiring Diagram Under
Harmony Audio Ha 701817 Dodge Chrysler Factory To
2000 Plymouth Breeze Fuse Box Wiring Diagram
Compatible With Chrysler Dodge Jeep Plymouth Factory Stereo Radio To Aftermarket Radio Harness Adapter
Details About Chrysler Dodge Jeep Car Stereo Cd Player Wire Harness Aftermarket Radio Install
Plymouth Breeze Radio Wiring Diagram Wiring Library
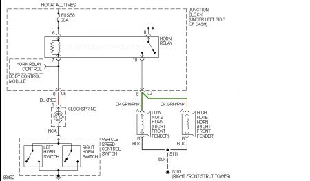
1998 Plymouth Breeze Horn My Horn Was Not Working I
Metra 70 1817 Radio Wiring Harness For Chrysler Jeep 1984 2006 Harness
Wrg 6273 Radio Wiring Diagram 99 Plymouth
2002 Jeep Wrangler Factory Stereo Wiring Harness Wiring
Wiring Diagram For 1999 Plymouth Breeze Wiring Diagram Online
Chrysler Wiring Diagrams
Radio Wiring Diagram Fan Breeze 2 Starter At Home
Wiring Harness Diagram 1990 Plymouth Sundance Fixya
Fuel Injector Circuit Wiring Diagram Cirrus Stratus 1 Breeze
Source :
pinterest.com
Popular Posts
Weekly Calendar Template 2017 Excel
You Are Cordially Invited Template
Wireles Microphone Wiring Diagram
Wordpress Include Template
Word Payment Promissory Note Template
Wound Care Plan Template
Wk Grand Cherokee Wiring Diagram
Word Document Printable Downloadable Fax Cover Sheet Template
Wiring 4 Schematic And Switch
Wiring Diagram Hyundai Getz Radio
Wiring Service Panel Diagram
Weekly Rotating Shift Schedule Template
Wiring Diagram For Output Jack
Wix Filter Suppressor
Wiring Diagram Electric Water Heater
Which Receipt App Is The Best
Wiring 220 Single Phase Plug
Where Can I Post My Resume For A Job
Web Developer Upwork Cover Letter Sample
Web Hosting Website Templates Free Download
Wiring Schematic For 2011 Cadillac Escalade
White Paper Document Template
Workshop Evaluation Form Template
Website Design Proposal Template Free
Willy Truck Turn Signal Wiring Diagram
Yearbook Ladder Diagram
Youth Baseball Waiver Form Template
Word Bill Of Materials Template
Wedding Planner Template Free
Weekly Summary Report Template Word
Xd Email Template
Whats The Best Resume Format For College Students
Writing To A Judge Sample Letters
Xavier Certificate Programs
Wire Schematic 2009 Civic Si
Xlr Trs Input
Wiring Diagram For Husky Lawn Mower
What Is A Cover Sheet On A Resume
Wiring Diagram Fuel Pump On 4 3lx Mercruiser
Writing A Resume For Grad School
Writing A Business Proposal Template Pdf
Who Can Do A Resume For Me
Wedding Anniversary Banner Template
Work Report Sample Pdf
Western Electric 2500 Wiring Diagram
Wiring Diagram For 1970 Nova
Weld Shear Strength
Wells Fargo Bank Statement Template
Wiring Diagram Ctsy Fuse 1992 Chevy Truck
Wire Confirmation Receipt
Wedding Thank You Notes Template
Weekly Work Schedule Template Free Download
Writing A Nonfiction Book Outline Template
Word Document Personal Letter Template Word
Wiring Diagram Craftsman Model 917 273820