Printable DB
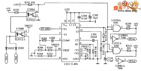
Tl494 Pwm Circuit Diagram
generac portable generator neutral bond
hr handbook template
fundraising letter template donation messages examples
home electrical schematic wiring diagram
kitchen remodel budget template
java developer cv sample
free printable budget envelope template
free printable romantic birthday cards for wife
Tl494 Pulse Width Modulation Control Circuit
Tl494 Pwm Motor Control Electronics Projects Circuits
How To Use Tl494 Pulse Width Modulation Control Ic
Pin On 555
Tl494 Pwm Circuit On Proteus Simulation
The Circuit Chart 1 Oscillator Pulse Width Modulation
12v 24v Pwm Motor Controller Circuit Using Tl494 Irf1405
High Voltage Power Supply Based Pwm Ic Tl494 Power Supply
12v 24v Pwm Motor Controller Circuit Using Tl494 Irf1405
Tl494 Pwm Circuit Diagram Amplifier Circuit Circuit
Pin On Technology
Pwm Solar Battery Charger Circuit Homemade Circuit Projects
Solid State Tesla Coil Project Tl494 Pwm High Voltage
Tl494 Pwm Ic Tutorial How To Use In Power Supplies Inverters
Electronica Projects
Pwm Control Circuit Tl494 Delabs Technologies
12v 24v Pwm Motor Controller Circuit Using Tl494 Irf1405
Pwm Vu Meter Tesla Audio Ir2110 Tl494 Electronics Projects
Diy 500w Class D Tl494 Switching Amplifier Electronic Circuit
Tl494 Typical Application Reference Design Dc To Dc Single
Tl494 100amp Pwm Power Controller
Source :
pinterest.com
Popular Posts
Simple Letter Of Resignation Template Word
Utd Teacher Certification
Sample Feeding Schedule For 6 Month Old Starting Solids
Student Government Resume Description
Unique Resume Ideas
Third Party Risk Management Policy Template
Sample Roommate Agreement Pdf
Saturn Radio Wire Diagram 05
Texas Employment Application Template
Software Consulting Invoice Template
Value Proposition Template Png
Ring Floodlight Cam Wiring Instructions
Ry5w K Circuit Diagram
Top Resume App
Rei Diagram
Self Confidence Printable Self Esteem Worksheets Pdf
Tax Client Information Sheet Template
Star Micronics Bluetooth Receipt Printer
Stencil Cut Out Printable Butterfly Template
Top Sql Certifications
Video Rfp Template
Resume Maker For Teenager
Study Schedule Template Excel
Software Brochure Template
Unique Web Design Templates
Volvo V70xc Radiator Diagram
Uber Gift Certificate
Sample Internship Offer Letter From Company
Sample Letter Appreciation Business Partnership
Telecaster 3 Way Switch Diagram
Template For Graduation Name Cards
Sample Master Budget Format
Sample Employee Acknowledgement Form
Sample Letter Of Interest For Teaching Position College
Rod Basic Wiring Diagram
Registration Template Word
Service Powerpoint Template
Sample Acceptance Letter For College
Short Polite Reminder Email To Boss Sample
Real Estate Listing Video Template
Self Employed Real Estate Investor Resume
Soap Note Templates
Simple Resource Planning Template Excel
Resume Search Sites
Sample Roommate Agreement Form
Tums Printable Coupons
Sample Timeline Of Events Template
Router Letter Templates Harbor Freight
Staff Holiday Planner Template Free Excel 2020
Vintage Dimarzio Super Distortion Wiring
Truck Lite Trailer Wiring Harnes
Single Phase Capacitor Start Capacitor Run Motor Wiring Diagram
Scott Self Contained Breathing Apparatu Diagram
Triton Boat Wiring Harnes
Tracing Lines Worksheets