Printable DB
Wiring Diagram Peugeot
blog article template
emt d certification
enrolment form registration form template word
excel editable golf scorecard template
blank downloadable free tenancy agreement template word uk
cs130d alternator wiring diagram
corporate budget template excel
birth certificate attorney
Peugeot All Models Wiring Diagrams General
Wrg 2586 Peugeot 206 Bsi Wiring Diagram
Peugeot All Models Wiring Diagrams General
Peugeot 406 Wiring Diagram Radio Wiring Diagram
Peugeot 407 Wiring Diagram Full For Android Apk Download
Wiring Diagram Help Peugeot Forums
Peugeot 106 Wiring Diagram Wiring Schematic Diagram
Your Wiring Diagrams Source Peugeot 206 Pre Post Heating
Cooling Fan
Peugeot Wiring Diagrams Moped Wiki
Peugeot 407 Wiring Diagram Full For Android Apk Download
Wiring Diagram For Peugeot 206 Stereo Best Of Fortable In
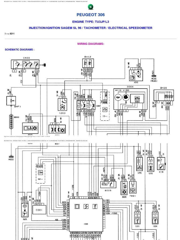
Peugeot 306 Wiring Diagrams
Peugeot 308 Wiring Diagrams Car Electrical Wiring Diagram
Citroen C4 Towbar Wiring Diagram Wiring Schematic Diagram
Peugeot Wiring Diagrams Moped Wiki
Peugeot 307 Fuse Box Diagram Wiring Diagram
Peugeot Alarm Wiring Diagram Wiring Diagram
Fuse Box Map Blog Wiring Diagram Elegant Layout Of Engine
Peugeot 308 Wiring Diagrams Car Electrical Wiring Diagram
Peugeot 307 Light Wiring Diagram Wiring Library
Source :
pinterest.com
Popular Posts
Simile And Metaphor Worksheet 4th Grade
Single Strand Dna Mutations Worksheet Answer Key
Vw Birth Certificate Uk
Thor Windsport Wiring Diagram
Theatre Rehearsal Schedule Template
Scanner For Receipts And Documents
Resigned Employee Quit Claim Sample
Vdo Cht Gauge Wiring Diagram
Security Alarm Window Sensor Wiring Diagram
Similar Right Triangles Worksheet Answers
Student Cv Template Download Pdf
Resume And Cover Letter Writer
Sample Letter Of Intent To Close Business
Vulnerability Management Policy Template
Training Session Plan Template Word
Restaurant Management Certificate
Unlv Hr Certification
Real Estate Agent Job Description For Resume
Squarespace Newsletter Templates
Stamp Template Transparent
Sharepoint Crm Template
Spreadsheet Excel Action Plan Template
Unfair Dismissal Appeal Letter Sample
Sample Resume For Target Stores
Template Standard Release Form
Shark Cake Template
Shared Parenting Plan Template
Sample Preschool Daily Lesson Plan
Resume Genius Cover Letter Templates
Sample Letter For Notice To Vacate From Tenant To Landlord
Requirements Traceability Matrix Template
Sample Invitation Letter For Visitor Visa For Parents Australia
Toro 8 25 Part Diagram
Registration Form Template Excel
Sample Email To Send Daily Report
Starter Wiring Diagram Beetle 1973
Superhero Invitation Template
Unicorn Gift Tags Printable
Sample Of Unemployment Appeal Letter Template
Wampum Belt Template
Summer Worksheets For 2nd Grade
Suzuki V 1400 Wiring Diagram
Sous Chef Resume Template
Time And Motion Study Template
Rotary Tarp Switch Wiring Diagram
Rj11 Phone Jack Wiring Multi Line
Student Formal Business Letter Sample
Relay Wiring Diagram With Buzzer
Trustee Trust Letter Sample
Team Schedule Excel Template
Rp Strength Vegan Template
Simple Mileage Log Template
Timesheet Template With Work Description
Resume And Cover Letter Template Word
Teacher Letter Template